Colorado Springs Notes - June 1-30, 1899

To this to be added two applications filed with Curtis and some other patent matters chiefly foreign.

 


Colorado Springs
June 1, 1899

The following seems to be the best plan for constructing small batteries of very high e.m.f, required for exciting vacuum tube to be used as receiver in telegraphy: 

As the current for exciting the tube need be only very small the battery can furnish a minute current. From previous experiments about 1/20,000 amp. is amply sufficient. Approximate dimensions of box 1/4 cu. foot. The price will not be prohibitory. Tin caps, plugs and carbons will be readily obtainable.

 

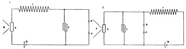
The connection of the receiver is to be as in experiments in New York: If necessary the resistance 7?j will be used to strain the tube exactly just to point of breaking down. It is very important as in all sensitive devices so far used that the dielectric is strained exactly to the breaking point.

The magnet M is to have a resistance nearly equal to the internal resistance of the battery, so as to get best output. The relay will suit as it is with 1000 ohms resistance. The magnet must be strong to blow out tube when lighted. This device should by very sensitive and should break down by very minute currents propagated through the earth from a similarly connected oscillator.

 

Colorado Springs
June 3, 1899


Various modifications of a principle consisting in accumulating energy of feeble impulses received from a distance and utilizing magnified effect for operating a receiving device. Several modes of carrying out the same, generally considered:
 


Colorado Springs
June 4, 1899

 

Telephony without wires.

General observations: one impulse for one telephone


Colorado Springs
June 5, 1899

Induction method; results with apparatus to be used calculated from,

Taking M to be the minimum 0.3 ergs to affect relay, it is found that with above circuits and under such conditions about 1 mile communications should be possible. With circuits 1000 meters square, about 30 miles. From this, the inferiority of the induction method would appear immense as compared with disturbed charge of ground and air method.
 


Colorado Springs
June 6, 1899

Arrangements with single terminal tube for production of powerful rays. There being practically no limit to the power of an oscillator, it is now the problem to work out a tube so that it can stand any desired pressure. The tubes worked with in New York were made either with aluminium caps or without same, but in both cases a limit was found so that but a small fraction of the obtainable e.m.f. was available. If of glass, the bottom would break through owing to streamers, and if an aluminium cap were employed there would be sparking to the cap.

 

Immersion in oil is inconvenient, likewise other expedients of this kind. The best results will probably be obtained in the end by static screening of the vulnerable parts of the tube. This idea was experimented upon in a number of ways. It is now proposed to test the arrangements indicated below:

In each case there would be an insulated body of capacity so arranged that the streamers can not manifest themselves. The capacity would be such as to bring about maximum rise of e.m.f. on the free terminal.
 


Colorado Springs
June 7, 1899

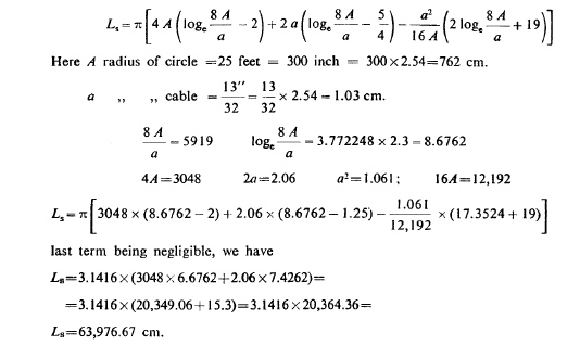
Approximate estimate of a primary turn to be used in experimental station

or approx: 63,900 cm.

Two turns in series should be approx. 255,600 cm. Approximate estimate of inductance of primary loop used in experimental oscillator on vertical frame in New York. Diameter of loop = 8 feet=244 cm.

 this is a trifle more with ends close enough 8,000 cm.
 


Colorado Springs
June 8, 1899

Method and apparatus for determining self-inductances, also capacities, particularly suitable for determining small inductances.

Since resistance can be neglected when the frequency of the currents is high the inductances can be easily compared in the following way:

A standard of self-induction is provided with a sliding contact so that any number of turns can be inserted. Two resistances, suitable for the source of high frequency current and the inductance to be measured, are connected in the manner of a bridge. The two opposite points, one movable, are connected through a telephone. When no sound is heard then we have the two inductances — that is, the one to be measured, and that part of the standard which corresponds to equilibrium or silence in the telephone-practically equal if the quantities are suitably chosen.

 

By determining inductances capacities may from these be easily measured. It is possible that the high frequency source might be dispensed with and a very sudden discharge of a condenser passed through instead. The auxiliary resistance should be so determined that the resistances in the two parts through which the current divides are equal or nearly so.
 


Colorado Springs
June 9, 1899

Consider the practicability of using a column of air or other gas as detector of disturbances from a distance. This would be on the principle of the Ries thermometer as experimented with in New York. The arrangement of apparatus is illustrated in the diagram below. There is a reservoir V, preferably of polished surface, made in the manner of mirrors to reflect rays to center. In this reservoir is placed a resistance r of minute mass.

This resistance may be conveniently obtained by connecting with pencil marks m m two terminals T and T1, holding a glass plate P. The mass must be minute so that the smallest amount of current would raise the temperature of the marks or conductors and thus heat the air in the reservoir which, expanding, would drive a minute column of liquid c contained in tube t towards contacts a b. The liquid should be very E light and need not be highly conducting, barely enough to allow the
relay R to be worked by battery B when contact between a and b is established.

 

The resistance r, may be used to regulate battery strength. The terminals T T1, I would preferably connect in the manner I generally resort to, that is, one to the ground and the other to a body of some surface and elevated. Suppose air is used, we would want 0.1696 Ca per ฐC per gramme. It will be now easy to calculate how much the air can be expanded per erg of energy supplied.

(to work out)
 


Colorado Springs
June 10, 1899

Suppose a very fine mercury column were prepared of resistance R, length L and connected to a ground and an elevated insulated conductor of capacity in the manner illustrated in diagram.

Then if a current / be passed through it the energy lost in the column and converted into heat will be RP watts. The current is, of course, minute and we could scarcely calculate on more than 1 erg in telegraphy being transmitted to a great distance from the transmitting station; the question is what can be done with that little amount of energy.

If the mercury be raised to a temperature t degrees above normal it will expand for each degree 0.00018 of its length hence its length will be L+Lt * 0.00018= L (1 +0.00018t). This value is a little greater than would actually be found in a glass tube.
 

Suppose the tube were 1/10 mm. diam. and 10 meters long; its resistance would be approx.

This shows that on the above assumptions, indication of disturbances by mercury column would be hardly practicable unless the column could be made much thinner.
 


Colorado Springs
June 11, 1899

The following method and apparatus for detecting, feeble disturbances transmitted through a medium seem to be particularly adapted for telegraphy. The idea was followed up in New York but results were not satisfactory. Now the experiments are to be resumed with apparatus as illustrated below.

The general idea is to provide a path for the passage of a current such that it will diminish in resistance when the current passes and also such that it will be of as minute a mass as possible. The specific heat of the material forming the path for the current should also be as small as possible. The best way I have so far found is to make a mark of the required thickness with a carbonstick so as to connect two terminals through a conductor of high resistance so deposited.

 

This conductor I preferably connect with one end to the earth and with the other to an elevated object of a large surface. The conductor is further connected in circuit with relays and batteries in any way suitable, as for instance in the arrangement here shown. Now when a feeble impulse passes it reduces the resistance of the carbon and more of the battery current can pass through and so on until the relay is brought into action.

 

The relay then, in any way suitable, breaks the current of the battery and a normal regime is established. The relay itself may be utilized to break the current or an auxiliary magnet may be employed as illustrated. The carbon mark may be connected in the manner of a bridge to increase sensitiveness.

This to be followed up.
 


Colorado Springs
June 12, 1899

A convenient way of obtaining a conductor (rather a poor one) of small mass, such as will be instantly evaporated or disintegrated by a battery current, and one which is also automatically renewed in a simple manner, is the following:

Two terminals are fastened to an insulating plate, preferably of glass, and provision is made once for a film of poorly conducting substance to be deposited on the plate thus bridging the terminals and establishing sufficient contact between them to allow a current to pass.

The best manner to carry this idea out seems to be the following: In a small bottle, having a stopper with two terminals, is placed a quantity of iodine and the bottle is by any suitable means kept at a temperature such that the haloid is deposited in an exceedingly fine film causing a leak of the battery current through a relay. A stronger current may then be passed by establishing a suitable connection with the relay and the film of iodine may thus be destroyed and the terminals again insulated, this process being repeated in as rapid succession as may be desired. This film may be used in the detection of feeble impulses as in telegraphy through media, in which case it is connected to ground and capacity.
 


Colorado Springs
June 13, 1899

Arrangements of transmitting apparatus for telephony at a distance without wires.

The most difficult part in the practical solution of a problem of this kind of telephony is to control a powerful apparatus by feeble impulses such as are produceable by the human voice.

One of the best ways is to use carbon contacts as in the microphone, but when powerful currents either of great volume or high e.m.f. are used, as they must be in such cases, the problem offers great difficulties.

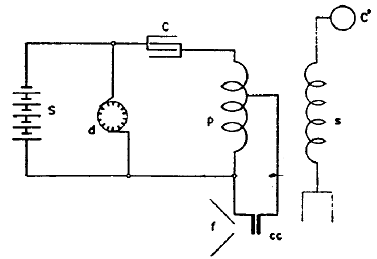
A solution which I have before described is offered in the following scheme, illustrated diagramatically below.

S is a source of preferably direct current as a powerful battery or dynamo, C a condenser which is connected with a primary p and break d as usual in an oscillator. The break d is such that at the number of breaks resonance is obtained.

A secondary s is provided which is connected to the ground and an insulated body of capacity and elevated as shown, and normally the adjustment is such that the secondary with its capacity and self-induction is in resonance with the primary p. From the latter a shunt is made by two contacts c c preferably of carbon.

 

Normally these carbons touch loosely but by speaking upon funnel / they are harmonically pressed together and the primary current is diverted thus destroying the resonance and greatly diminishing effect in the secondary rhythmically with the undulations of the voice. In this manner very minute variations in the contact resistance are made to produce great variations in the intensity of the waves sent out. The breaks at d must be much above undulations of the voice.


Colorado Springs
June 14, 1899

The following arrangement, considered before in a general way, seems to be particularly suitable for telephony at a distance without wires and for such purposes where it is necessary to effect control of a powerful apparatus by feeble impulses such as those produced by a human voice.

The idea is to use an ordinary oscillator, preferably one operated from a source of direct currents with a break (mercury or simply an air gap) which is much higher infrequency than the vibrations of the voice. At any rate, there will be an arc, whether in the primary of the secondary which will be blown out, or the resistance of which will be enormously increased, rhythmically with the vibrations impressed by voice or otherwise, as the case may be.

 

The control of the arc is effected by a jet of air or other gas issuing under pressure from an orifice the opening of which is controlled in some convenient way by the vibrations. An arrangement of such apparatus is illustrated in the diagram below, the arc controlled thus being in the secondary. The source of direct currents S charges a condenser C and the discharges of the same (a very great number) through a break d and primary p energize a secondary s with the usual connection in telegraphy as I have introduced.

 

The air or gas under pressure is controlled by a diaphragm and valve v. The outlet pipe / can be screwed up as close to the diaphragm as is necessary for the best result In this or a modified way a powerful apparatus may be controlled by very feeble undulations, as those of the human voice.
 


Colorado Springs
June 15, 1899

First experiments in the station were made today. The e.m.f. of the supply transformer was 200 volts only. The break on the disk, which was driven by a Crocker Wheeler motor, varied from 800—1200 per second. o> was found to be 800 approximately.

Under these conditions the secondary from the New York high tension transformer could only charge from 3—4 jars and it was impossible to obtain more than a harmonic of the vibration of the secondary system of the oscillator, which required many more jars.

The secondary was wound on a conical framework, there being 14 turns of an average length of 130 feet each, that is approximately.

The primary was formed by one turn of cable, used in New York laboratory for the same purpose; consisting of 37 wires No._9 covered with rubber and breading. The details of construction are to be described later.

Note: Sparks went over the lightning arresters instead of going to the ground This made it necessary to change the connection to the ground, separating that of the secondary of the oscillator from the ground of the arresters. By connecting the secondary to a water pipe, and leaving the ground of the arrester as before, the sparks ceased. This indicates a bad ground on the arresters. The latter work exceedingly well. The ground connection was made by driving in a gas pipe about 12 feet deep and gammoning coke around it. This is the usual way as here practiced.

The power taken in these first experiments was small, 1/2—3/4 H. P. only. The spark on the secondary was 5" long but very thick and noisy; indicates considerable capacity in the secondary. The variation of the length of the spark in the break did not produce much change. The weather was very stormy, hail, lightning.
 


Colorado Springs
June 16, 1899

Experiments were continued today. A new ground connection was made by digging a hole 12 feet deep and placing a plate of copper 20"x20" on the bottom and spreading coke over it again, as customary. Water was kept constantly flowing upon the ground to moisten it and improve the connection but in spite of this the connection was still bad and to a remarkable degree. It is plain that the rocky formation and dryness is responsible and I think that the many cases of damage done by lightning here are partially to be attributed to poor earth connections.

 

By keeping the water constantly running the resistance was finally reduced to 14 ohms between the earth plate and the water main. By connecting the earth plate and water main again, the lower end of the secondary being connected to the latter, sparks would again fly over the arresters. When the water main was disconnected they again ceased.

The action of the waves spreading through the ground was tested by a form of sensitive device later to be described and it was found that there was a strong vibration passing through the ground in and around the laboratory. The device was purposely unsensitive, to get an idea by comparison with former experiences in this direction. It did not respond when placed close to the oscillator, but unconnected to ground or capacity, but responded 200 feet from the shop when connected to the ground with one terminal.

 

It responded also all along a water main, as far as it reached, although it was connected to the ground fairly well. The action on the device was still strong when there were no sparks from the secondary terminal. This is a good indication for the investigation of waves, stationary in the ground. It was concluded the earth resistance was still too great. Possibly the ground affects the primary and the secondary, more than assumed, by the formation of induced currents.

To be investigated.

 


Colorado Springs
June 17, 1899

Measurements of resistance between ground wire and water main showed the surprising fact that it was 2960 ohms, and even after half an hour watering it still was 2400 ohms, but then by continued watering it began to fall rapidly. Evidently the soil lets the water run through easily and being extremely dry as a rule it is very difficult to make a good ground connection. This may prove troublesome. The water will have to be kept flowing continuously. The high resistance explains the difficulty, from a few days before, of getting the proper vibration of the secondary.

 

The first good ground was evidently at the point where the water main feeding the laboratory connected to the big main underground and this was several hundreds of feet away. This introduced additional length in the secondary wire which became thus too long for the quarter of the wave as calculated. The nearest connection to earth was as measured about 260 feet away and even this one was doubtful.

Measurement of inductances primary, secondary and mutual induction.

Readings for two primary turns in series showed:

 

 

Colorado Springs
June 18, 1899

Experiments were continued with the oscillator showing that proper vibration does not take place, evidently owing to some cause which is still to be explained. To see whether the trouble is due to poor induction from the primary, a coil-wound on a drum of about 30" diam, 10" long, 500 turns approx. of No.26 wire, used in some experiments in New York — was connected to the free end of the secondary and with this coil a great rise was obtained, streamers about JT ' long being obtained on the last free turn even with a small excitation of secondary.

 

The trouble seems to be due to internal capacity. The total length of a quarter wave with coil was about 2400 feet, which agrees fairly with the calculation from the vibration of the primary circuit. The experiments with the coil show strikingly the advantage of an extra coil, as I call it, already noticed in experiments in New York; that is, a coil practically not inductively connected but merely used to raise the impressed electromotive force.

Measurements of inductance of the secondary as used: 12 turns on tapering frame 1 1/4" apart from center to center showed:

Compared with the first winding (14 turns far apart) the second winding was better because of both higher self-induction and greater mutual induction coefficient.

Measurement of capacity of condenser in sections:

The condenser was compared today with 1/2 mfd. standard by wirebridge and telephone receiver, according to the Maxwell method. There are 80 sections in the condenser, 40 on each side, which can be connected by plugs as desired. They are: l+2,+22+5+10+10+20+30=80 The measurements made by Mr. L. today gave 0.153 mfd per unit.

This to be verified.
 


Colorado Springs
June 19, 1899

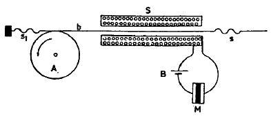
Sensitive automatic device for receiving circuits in telegraphy through the natural media, purposes of tuning, etc. The device in simple form is illustrated in the diagram below.

In a small glass tube / are fixed two thin wires w w of soft iron or steel carrying contact points of platinum c c on the top. A spool S wound with wire surrounds tube. The contact points are shaped so that the wires can deviate considerably without the separation becoming too great. When the current passes through coil S the wires w w are separated and the distance between the contact points, c c increased. The tube is moderately exhausted.

 

The dielectric between the points is strained, as in sensitive powders, very nearly to the point of breaking down by means of a battery and when the disturbance reaches the circuit the dielectric gives way under the increased strain and the battery current passes through coil S separating the terminals and now breaking the battery current. It is supposed in this instance that the contact points cc and coil S are connected in series with the battery, but the connection may be made in many other ways for the purpose of securing the same result — that is of automatically interrupting the current after the signal has been received.

 

The contact points must be very close together and pointed. Stops ppp are provided to limit the movement of the wires w w and prevent vibration upon each action. An additional coil may be placed upon S for the purpose of adjusting the wires so the points will be at the required minute distance from each other, which is easily effected by graduating the strength of the current passing through the additional coil and an independent relay may be connected in the circuits in any convenient way for registering the signals. The degree of vacuum may also be made adjustable. In the first device coil S had 24 layers, 94 turns per layer=2256 turns, No. 21 wire, res. 14.7 ohms.

 

 

Colorado Springs
June 20, 1899


Approximate estimate of some particulars of apparatus. With new jars the capacity will be about 0.174 mfd. that is with two sets of condensers in series as usual. Assume

20,000 volts on the supply transformer, the energy per impulse will be



 

In addition to the wire already on hand this would cost about $ 250 but with 80 turns only $ 100 will be necessary. To keep the vibration of the secondary the same,-the capacity on the free terminal will have to be increased. The capacity necessary will be C and we have:

All these estimates assume, of course, that the distributed capacity of the secondary is overcome in some way or other as by condensers in series, for instance. It is quite certain that the vibration of the secondary will be much slower.
 


Colorado Springs
June 21, 1899

Considerations of the various particulars of apparatus to be used, continued:

The present supply transformers can furnish 26 H.P.

Approximate estimate of primary voltage necessary for above output.

To get e.m.f. lowest value it would be necessary to connect condensers in multiple, both sets. This would give a capacity of 0.174x4=0.696 mfd. Calling p1 the primary e.m.f. necessary for this output, we have,

With this e.m.f. assume 4 ohms res. of arc, the initial current would be 1500 amp. through the primary. From these assumptions the loss in the primary may be computed.
 


Colorado Springs
June 22, 1899

Wire for the new secondary ordered from Habirshaw No. 10 B.& S. rubber covered; all in all about 11,000 feet needed (more nearly 10,500 feet). This will do for 80 turns of an average length of 131 feet each.

Accordingly, 11,000 feet will weigh 345.4 lbs. This will give still less copper in the secondary than there is in the two primary turns. With secondary wire double we shall have 40 turns and with four wires (for quick vibration) 20 turns. The weight of copper should be equal and some of the No. 10 cord may be used on the first low turns.

Some arrangements were tried aiming chiefly at prolonging the vibration in the primary after each break. One of these was as illustrated in the diagram below:

The condenser C1 was placed in shunt to the primary P. Since there was no spark gap in this circuit and the magnifying factor was very large, the resistance being minute, the vibration continued much longer after each break as would be the case with the ordinary connection. A very curious feature was the sharpness of tuning. This seems to be due to the fact that there are two circuits or two separate vibrations which must accord exactly. The sparks were strong on terminals of the secondary always when C=a C1, a being a whole number (no fraction), and particularly when a—2 or 4.

In this form there was a loss in circuit p since this part did not act upon the secondary in inductive relation to P. A modification consisted in including in circuit p-one or more turns of the primary P or independent turns which acted inductively upon the secondary.

An arrangement intended for the same purpose was also tried. It consisted of providing two primaries, one independent of the break and merely shunted by a condenser, as illustrated.

This plan was also experimented with in New York and it was found that it is good when the break number is very small. When the break is very rapid there is not much difference. In making the adjustments C'P' was first tuned to the vibration of CP, then the secondary was adjusted.

This to be followed up.
 


Colorado Springs
June 23, 1899

Approximate self-induction of Regulating box brought from New York to be used in primary.

Experiments with oscillator secondary 36 1 /2 turns were continued. Many modified arrangements with auxiliary condensers — one of which is illustrated in the sketch below— were tried. All these chiefly aimed at prolonging the vibrations in the primary after each break and also at effecting sharper tuning of the circuits.

 

In using auxiliary condensers in this way circuits are obtained containing no spark gap in which the damping factor was extremely small and the magnifying factor very great.

Note: Several rates of vibration were tried with such arrangements. Remarkable was the sharp tuning in some of them, one turn of the regulating coil being sufficient to entirely de troy the effect or to produce a great maximum rise of pressure. The jars broke down frequently, owing to sudden rise, as the handle of the regulating coil was turned.
 


Colorado Springs
June 24, 1899

 

The following plan of producing a conducting path of extremely low resistance suitable for resonating circuits and other uses offers the possibility of attaining results which can not be reached otherwise. It is based on my observation that by passing through a rarefied gas a discharge of sufficient intensity, preferably one of high frequency, the resistance of the gas may be so diminished that it falls far below that of the best conductors.

 

So through just a bulb of highly rarefied gas an immense amount of energy may be passed and currents of a maximum strength such that they can not traverse a copper wire, owing to its resistance and impedance, may be made to traverse the rarefied gas.

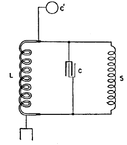
The plan now is to constitute a circuit composed of a rarefied gas column, heated by auxiliary means to a very high incandescence so as to offer an inconceivably small resistance to the passage of the current and use this column for the purpose to which it is suited. To illustrate the use of this idea in telegraphy, for instance the diagram below is shown in which S is a source of oscillating currents of preferably high frequency, C a condenser in shunt to same, L a coiled glass tube containing the rarefied gas which is kept at a high degree of excitation.

 

The conductor L is connected, as in my system, to earth and a capacity preferably elevated. Through this path the currents of a distant transmitter are made to pass which are of the same frequency and cause a great rise of the e.m.f. on the terminals of conductor L, which may then be utilized to affect a receiving instrument in many ways.

(To follow up).
 


Colorado Springs
June 25, 1899

The following plan seems to be well adapted for magnifying minute variations such as are produced by the action of a microphone, for example. Suppose that on a rotating or, generally speaking, moving surface of iron (polished or smooth) there is arranged a brush of soft iron, steel or at least having a surface of such magnetic materials whatever they be then there will be a certain amount of friction developed on the contact surfaces between the brush and moving surface and the brush will be dragged in the direction of movement of the surface.

 

A spring may be used to pull the brush back against the friction and to maintain it in a position of delicate equilibrium. Let now the brush or surface be but slightly magnetized, then the friction between the magnetic surfaces will be enormously increased and the brush will be pulled forward with great force.

A small variation in the magnetization of the surface will thus make great changes in the force exerted upon the brush, and the movements of the latter may be utilized for any purpose, as for instance in loud speaking telephones, or in perfecting a "wireless telephone" or such purposes.

 

A simple form of apparatus is illustrated below: A is a rapidly rotating cylinder with a polished iron surface, if not all of iron; b is a small bar or brush bearing upon the cylinder and also of soft iron. This light plate or bar is held in a balanced position by differential spring sst so as to bear lightly on the cylinder A. S is a solenoid energized through battery B in series with a microphone M. By speaking upon the latter the bar b will be vibrated back and forth and the movements of the bar may control any other apparatus, for instance a valve or other microphone.
 


Colorado Springs
June 26, 1899

In following up an old idea of separating gaseous mixtures by the application to them of an excessively high electromotive force, the following apparatus is to be adopted with a new oscillator.

Note: in this apparatus it will be preferable to use a form of oscillator with mercury break supplied from a source of direct current, so that the force on T will be mostly uni-directional. Any other generator developing the necessary e.m.f. should, however, accomplish the same result.

Three tubes t1 t2 t3 (assuming only three will be needed) are slipped one into the other, being held apart by insulating plugs a be. In these plugs are fastened outlet tubes ABC to lead the several separated gases away to reservoirs into which they may be compressed. It is therefore to be understood that there is the desired degree of suction on the outlet pipes, or else the mixture is forced under desired pressure through a tube t serving to let in the mixture.

 

The high tension terminal T is led in through an insulating plug P fastened into the largest tube t1. The particles of the gas coming in contact with the active terminal are thrown away with great force and are projected at different distances according to their size and weight, hydrogen farther then most others. The latter element, if it be present, will therefore pass through tube A, that is mostly, the heavier and larger
 


Colorado Springs
June 27, 1899

Arrangements of apparatus in telegraphy through the natural media aiming at exclusion of manager, in accordance with method experimented with in New York. This is not quite so good as the method used with condenser of commutating individual impulses, but great safety can be secured nevertheless. The idea was to provide more than one synchronized circuit and to make the receiver dependent in its operation on more then one such circuit.

 

Experiments have shown that a great degree of safety is reached with two circuits. I think with three it is almost impossible to disturb the receiver when the vibrations have no common harmonics very near to the fundamental tones. Several arrangements experimented with are illustrated below. These are to be followed up.

Figs. 1., 2. and 3. illustrate some arrangements of apparatus on the sending station by means of which two vibrations of different pitch are obtained. A greater number is omitted for the sake of simplicity. In case 1. are provided two sending circuits which should be some distance apart and which are energized alternately by discharging condensers of suitable capacity through the corresponding primaries.

 

In Figures 2. and 3. one sending circuit is arranged so that its period is altered by inserting some inductance as in 2., or by short-circuiting a part of the circuit periodically, by means of an automatic device. It is not necessary to use such a device; however, arrangements of this kind will be later illustrated. On the receiving station two synchronized circuits responding to the vibrations — each to one — of the sender. The receiver R responds only when both circuits I and II affect sensitive devices a a.

 

The diagrams are self-explanatory.

 


Colorado Springs
June 28, 1899

Approximate estimate of the secondary with 20 turns on tapering frame, before referred to, from data of the secondary with 36 turns on the same frame. In the latter the wires 3 notches apart, in the former 7 notches.

Roughly, the capacity of the secondary with 20 turns will be, if C be that of the secondary with 36 turns:

With the additional coil of 1500 cm. capacity added in series with secondary on free terminal, the capacity would be 1500+290=1790, that is about 6 times as much as before. The vibration will then be slower \J'6=2.5 approx. times slower, about 37,400 per sec. This better suited.
 


Colorado Springs
June 29, 1899

The first good trial of a new wound secondary with 36 turns was made today. The wire was No. 10 cord, the turns being wound in every third groove. The distance of wires is approx. 1 7/8".

Vibration under the conditions of the first experiments: Approximate self-induction of secondary about 5 x 107 cm. Additional coil connected to free end of secondary, the coil having 240 turns, spool 6 feet long, 2 feet diam. Estimated self-induction of coil roughly 107 cm.

This would require 0.7/0.003 jars=233 jars with two primary turns in multiple and —— or about 58 jars total with two primaries in series. As so many jars were not available evidently only a higher vibration was obtainable. This explains why first results unsatisfactory.

Arrangements of apparatus experimented with in carrying out condenser method. (This for Curtis application)


 

Colorado Springs
June 30, 1899

Simple formulas to be used in rough estimates of the quantities frequently wanted. 2K

Observations made in experiments with oscillators, 36 1/2 turns and additional coil:

The additional coil is, as observed in the New York apparatus, an excellent means of obtaining excessive electromotive force. But it is peculiar that to properly develop the independent vibration of such a coil its momentum should be very great with respect to the impressed vibration. When such a relation exists the free vibration asserts itself easily and prominently.

 

But when the impressed vibration is very large and the coil's own momentum small, the free vibration can not assert itself readily. It is exactly as in mechanics. A pendulum with great momentum relative to the impressed momentum swings rigorously through its own period but when impressed momentum is very large relatively it is hampered, for then the impressed dominates more or less. This I look upon as distinct from the magnifying factor which depends on pL/R.

 

It was evident that in such excitation of the additional coil there should be, for the best result, three vibrations falling together: that of the coil, that of the secondary and that of the combined system. In view of the above it is of advantage to place inductance between the secondary and additional coil to free the latter, when impressed vibration is too powerful to allow the intended vibration of the coil to take place readily.

From experiments it further appeared as though it would be of advantage to have some self-induction in the primary spark gap. This is to be ascertained. The use of condensers in series with the supply secondary is sometimes of advantage but little so when the vibration of the secondary is in resonance with the primary. Then there is less short circuiting of the secondary of the supply transformer and sparks are loud and sharp.

 

Back to Contents