Colorado Springs Notes - August 1-31, 1899

For want of time following items, partly worked out, have been omitted:

  • Aug. 4. General observations of electrical phenomena here with particular reference to stationary waves.

  • Aug. 6. Experiments with stationary waves on water pipe.

    Note: Distance from ground-plate to end of main exactly 550 feet.

  • Aug. 31. Patent matter worked on:

    • 1) Production of stationary waves and use of same in general

    • 2) Distribution of universal time observatories etc.

    • 3) Indication of direction for ships etc.


Colorado Springs
Aug. 1, 1899

Various observations.

 

In the course of these experiments and particularly during the past month a number of highly interesting observations have been made which will be presently dwelt upon.

First of all one is struck by noting the extraordinary purity of the atmosphere which is best evident from the clearness and sharpness of outlines of objects at great distances. In' low regions, especially where moisture is in excess, the outlines of objects become more or less indistinct and confuse at distances of but a very few miles while here at many times such distances the outlines appear perfectly clear and sharp.

 

When a train is moving up Pike's Peak it is very often quite easy to distinguish not only the engine and cars but even the windows and wheels of the same perfectly, although the distance from the experimental station is from 10—12 miles. Quite frequently also the house on top of Pike's Peak can be clearly seen with the naked eye. The ranges of mountains 100—150 miles away or more can be perceived perfectly.

 

A range at a distance of about 50 miles can be seen plainly even at night when the sky is clear. It is wonderful how at times immense objects appear dwarfed, while small objects as horses, carriages or men assume unnatural gigantic dimensions.

Pike's Peak Range appears at times so close and so ridiculously small, that anyone not knowing the reality would be apt to fire a modern rifle at some object on the mountainside believing it to be within shot. Nor is this statement exaggerated much as it seems so. At other times again Pike's Peak appears far remote and its height much beyond what would seem natural.

 

The arc lamps at the foot of the mountains five to seven miles away or more shine with a brilliancy as though they were only as many blocks from the observer and under certain conditions an ordinary incandescent lamp of 16 c.p. seems to give out as much light, judging from a distance, as ordinarily an arc light does. It appears also as big as the latter. This penetration of the light is due to the wonderful purity and extreme dryness of the atmosphere.

The moonlight is of a power baffling description. I have been told that the best photographs of the mountains have been obtained by moonlight and I do net doubt it. Exposures of half an hour ought to give clear photographs revealing all details although the exposures are as I am told from 1 1 /2 to 2 hours. I have nowhere seen such a light. Italy is famous for moonlight nights but in my estimation that country can not even compare with Colorado.

 

I think this extraordinary brightness of the moonlight is chiefly due to the absence of moisture, for there are many places, as in Central America, which are located much higher and yet the moonlight, I am told, is not so intense and I can see no other reason for this except the presence of more vapour in those places. It is not a mere saying, but literally true, that during full moon in these parts it is "as light as day". Objects can be clearly perceived at distances of many miles and one can easily recognize a friend or familiar object at a distance of something like a quarter mile if not more.

 

The shadows cast by the moonlight are extraordinarily black and sharp. They suggest the Crockes' shadows noted in vacuum bulbs and on this account the moonlight is particularly interesting and suggesting thought and stimulating the imaginative powers. The shadows of the clouds on the plains and mountains are quite dark and clearly defined and it is interesting to behold the patches as they speed over the ground. When the moon is absent and the nights clear the number of stars visible and their brilliancy is amazing and the sky presents a truly wonderful sight.

 

The twinkling of the stars is very pronounced, they seem to move in orbits of as much as ten or fifteen of their own diameters across. At times one observes a star burst out into great brilliancy. This is probably due to the removal of an invisible cloud or of a layer of air at a great altitude containing some kind of particles which cut off a large portion of the light. One sees shooting stars quite frequently, also colored rings around the moon, generally in the advanced hours of the night, at times when the air is slightly misty. As this happens generally during very cold nights I believe the colored rings are due to minute crystals of ice.

O^ingto the extraordinary purity and dryness of the atmosphere the sounds penetrate to astonishing distances. This is particularly true of high notes as nearly as I can judge. Certain conditions, entirely exceptional, concur at times and produce effects of this kind which are startling. A bell will ring in the city several miles away, and it would seem as though the bell would be before the very door of the laboratory.

 

During certain nights when sleepless I have been astonished to hear the talk of people in the streets and sounds of this kind in a large radius around the dwelling not to speak of the grinding of the wheels, the rolling of wagons, the puffing of the engines etc. which are perceptible in such a case, and with painful loundness though coming from distances incredibly great.

 

These phenomena are so striking that they can not be satisfactorily explained by any plausible hypothesis and I am led to believe that possibly the strong electrification of the air, which is often noted, and to an extraordinary degree, may be more or less responsible for their occurrence.

The dryness of the atmosphere, which is still further enhanced by the low pressure, is such that wood or other material is made what is called kiln-dry inside of a few hours, and is rendered an insulator far more perfect than wood is ordinarily. The nails on the hands and toes dry out to such an extent that they break off very easily, in fact one has to be careful in trimming them. I found the claws of a cat as brittle as glass.

 

The skin on the hands dries out and cracks up and is apt to form deep sores particularly if, as often in experimentation, one has to wash the hands frequently. The hair gets perceptibly thinner owing to the drying out. Colorado is not a good country for hair. This may be of interest to people with a tendency towards baldness. People even very sick do not cough and expectorate evidently owing to the dryness of the atmosphere. One does not perspire as the sweat is immediately evaporated. It is curious how quick the body gets dry when a bath is taken. Still more this is noted when the body is rubbed with alcohol. These observations are not often made, unfortunately, as the opportunities for comfort are not such as one might desire.

In many respects one is disappointed with the aspect of the country itself although it is far famed. I think it very uninteresting and even the celebrated Pike's Peak is insignificant. Most of the country is barren, practically a desert, with little vegetable and animal life in places. Prairie dogs are about the only animals one can see on the plains. One rarely sees a bird and the country must be a tedious one to live in for any one with tastes for hunting and fishing.

 

But as much as the country is devoid of interest and beauty, so much and far more, is the sky beautiful. The sights one sees here in the heavens are such that no pen can ever describe. The cloud formations are the most marvelous sights that one can see anywhere. The iridescent colors are to my judgment incomparably more vivid and intense than in the Alps. Every possible shade of eolor may be seen the red and white preponderating.

 

The phenomena accompanying the sunrise and sunset are often such that one is at the point of not believing his own eyes. At times large portions of the sky assume a deep red almost blood-red color, so intense that superstitious people might will be frightened when first seeing it as by some other altogether unusual manifestation in the heavens. Sometimes, particularly in the forenoon, huge masses of what appears to be snow are seen floating in the air and they are so real and tangible, so sharply defined, that it is difficult to believe them to be composed merely of vapor.

 

The purity and dryness of the atmosphere explains to a degree the sharpness of definition of the boundaries of these formations of mist, but it is quite possible that some other causes as electrification of the particles cooperate in rendering them so compact as they appear to be.

 

Of course, the purer the air, the greater is the difference between the region filled by cloud and that surrounding it as regards the passage of light rays, and the boundaries of the cloud appear sharper and quasi-solid much on this account. The whiteness and purity of these masses of cloud is such that one has the idea that nothing, not even an angel, could come in contact with it without soiling it.

 

Very often when the sun is setting, a considerable portion of the sky above the mountain range presents the sight of an immense furnace with white-hot molten metal. It is absolutely impossible to look at the melting away clouds without being blinded, so vivid is the light. On a few occasions I have seen the mountains covered with a white silvery veil most beautiful to see, an unusual occurrence and caused by a fine mist-like rain in the mountain region.

 

The intensity of the light on these occasions was really wonderful. What was remarked before of the shadows of the moon is, and to a much greater degree, true of those thrown by the sun. They are ink-black and sharply outlined. The shadows on the plain and mountains thrown by the clouds appear like big patches of inking blackness hurrying along the ground. Particularly interesting are shadows thrown across the sky resembling often large dark streamers, or those which under certain conditions are formed and are visible like dark columns extended from the ground to the sky.

 

These shadows seem to be best visible in the middle of the afternoon or a little later when the sun in fairly down and on days when it has been extremely hot and sultry in the forenoon and the clouds are formed quickly and are of greater density than usual.

A very curious phenomenon is the rapid formation and disappearance of the clouds. One can watch them continuously forming and disappearing rapidly and one merely needs to turn away for a few moments when he may see that the aspect has changed, new clouds having replaced those he saw before. On many occasions, just after sunset, I have seen seemingly dense, white clouds appear as by enchantment below the mountain peaks. So quickly did these clouds or mist form that their appearance was much like the projection of an image on the screen.

 

The wonderful beauty of the cloud formations as seen here is, however, enhanced not only by the incredible sharpness of the outlines and vividness-of-color but also by their accidental arrangement and forms they assume. Not infrequently one can see clouds resembling all kinds of known objects, this adding much to the enjoyment one finds in observing them. In fact I have scarcely ever watched the clouds here without noting among the shapes resembling some or other familiar object. It is probably owing to the peculiar character of the clouds here that phenomena of this kind may be almost daily observed whereas in other parts they are very rare.

 

Very often I have seen low on the horizon what appeared to be immense fields of ice as a sea frozen in the midst of a storm but so wonderfully real that it would be impossible to give an idea of it by a description however vivid. At other times there appeared ranges of mountains which one could not distinguish from the actual, on the horizon or the wide ocean, with its deep green, or dark blue, or black waters stretching out as far as the eye could reach.


Nor was this an ordinary resemblance which one could banish from the mind by a small effort of will, but was rather of nature of those visions or hallucinations which make it necessary for one to pinch himself to fully realize that his senses have been deceiving him. More than once I have seen this ocean dotted with green islands or populated with glittering icebergs or sailing vessels or even steamers not less real to the eye because they were formations of mere mist or cloud.

Almost every evening, after sunset, and when the sky is clear, the horizon towards the plains becomes peculiarly tinged with colors of surprising vividness, all the colors of the rainbow being represented), the strata higher above the horizon beginning with red and passing through all nuances, the lowest strata finishing with blue, violet and black. As it grows darker the black line rises continuously above the horizon.

 

This phenomenon illustrates in an interesting manner how the sun's rays are deviating from the straight course and are being continuously deflected downwards to the more dense strata of the atmosphere. Among the seemingly infinite variety of clouds there are four typical forms regularly observable which are of surpassing beauty. They are:

 

1) Red clouds, which are seen very frequently in the early morning hours at sunrise and, though less frequently, in the evening when owing to a greater percentage of moisture the clouds are denser, more like rain clouds. They reach an intensity^of color equal to that of a ruby of the "pigeonblood" species. They are particularly beautiful when appearing in detached masses.

2) White clouds which are seen chiefly in the forenoon or in the early part of the afternoon though not so often. The whiteness and purity of these clouds and their sharpness of contours which has been already referred to makes them a unique sight. It would be difficult to offer to the eye a greater treat than it finds in the contemplation of these masses of mist, generally floating in big detached lumps in the blue sky. I note that these clouds are seen generally after a short rain when the wind, springing up suddenly, clears the sky, leaving only a few large and separate masses of vapor.

3) Clouds presenting the appearance of immense lumps of gold. These are iridescent clouds witnessed chiefly at sunset. They present a striking sight, particularly when they are small and detached from each other and the sun's rays can penetrate them more freely thus heightening at times to a degree really incredible the intensity of the iridescence. Their color is absolutely like that of gold and the similarity is rendered complete by the forms they assume which are those of gold nuggets found in nature, but generally they pass from pure yellow to a reddish yellow of the kind peculiar to gold found in certain countries or generally gold containing a small percentage of copper.

 

A feature of these most beautiful clouds is that they persist in their iridescence but a very short while. Usually they last only from five to ten minutes and often even not so long, although the yellow color may generally persist on the edges for as much as half an hour, more so in the morning than in the evening hours.

4) Clouds resembling lumps of incandescent metal. These clouds are most wonderful to behold and the intensity of the light emitted by them is such that it baffles description. I have never before seen anything of this kind in the Alps or elsewhere. One can see all nuances of color exhibited by heated metal or coal, from dull red to blinding white incandescence such as is seen in silver furnaces known in German as the "Silberblick".

 

But most generally these clouds present the appearance of lumps of glowing coal surpassing, if anything, the latter in brilliancy and intensity of color and the sense of sight is still more completely deceived by the gradual burning away of the glowing mass offering to the eye the spectacle of a mass of charcoal which is being quickly consumed in a furnace with a very strong draught.

 

How can the intensity of the light emitted by these clouds be explained? They throw out at times a light which to the eye is as intense and blinding as that of the sun's disk itself, yet they present a surface many hundred times greater than that of the sun's disk.

 

Is it not possible that in this intense iridescence, not to say incandescence, we see not only a phenomenon of reflection and refraction of the rays of light but also, at least partially, of conversion of dark radiations of the sun into such which cause in our eye the sensation of light? Or, if not exactly this, might it not be possible that the dark rays being absorbed in the mist in some way or other reduce the absorption of the light rays and render the process of reflection and refraction of the latter more economical?

 

I can not recollect any experiments carried on with the object of ascertaining the influence of temperature on these processes. A hot glass lens ought to be more efficient in letting the light rays through than a cold one. But, reasoning in the same strain, it would appear that reflection from a surface ought to be impaired by heating the latter.

 

Furthermore I should think that it can not be indifferent for these two processes at what temperature the body reflecting or refracting the rays is maintained, at least one must infer so from the accepted theories according to which the dark and luminous radiations merely differ in their wave lengths but are otherwise identical.

 

The most plausible view on" the above phenomenon still seems to me that first expressed, according to which invisible radiations are partially converted into luminous rays or radiations thus supplying the additional light which it is difficult to account for otherwise. It is not impossible that a phenomenon similar to fluorescence might be produced by heat rays falling upon the particles of mist thus heightening the light effect or there may be caused, by the dark rays, a decomposition or falling apart of the vapor particles (as Tyndall demonstrated) — and this process may be accompanied by some evolution of light.

 

Certainly the particles capable of producing such vivid iridescence must be very minute, much smaller than ordinary particles composing the clouds and their form can not be but a passing one as is evidenced by the rapid disappearance and reappearance of clouds already mentioned. These four types of cloud, which can be observed here almost daily and which in purity, brilliancy and depth of color and sharpness of outlines surpass by far such clouds noted in other parts, constitute the chief attractions of the incomparable beauty of this sky.

 

These phenomena would be more appreciated if they were more rare, but the fact is that for most people they loose a large portion of their charm by forcing themselves upon the eye too frequently. We are used to speak of "Sunny Italy" but compared with Colorado that country might be almost likened to foggy England. They tell me that there are scarcely 10—20 days in a year, on the average, when the sun does not shine and even this estimate is rather exaggerated.

 

Since my arrival here about the middle of May, with the exception of a few passing thunderstorms, the days were clear with just enough clouds in the sky to break the monotony of the blue.

No wonder that consumptives and generally people in feeble health are getting on here so well. The purity of the air, the altitude, which compels exercise of the lungs to be continuously and unconsciously practiced owing to the lesser density of the air and smaller percentage of oxygen (about 20% less than at sea level), the dryness of the air which is altogether exceptional, all these causes may cooperate more or less efficiently in improving the condition of the patients, but I believe that the chief cause of betterment is to be found in the profuse and cheering sunlight.

 

Whether the light produces a specific germicidal effect is a matter of conjecture as yet, as far as I know. I learned here that experiments had been carried on to ascertain whether there are any Roentgen rays emitted by the sun or produced in other ways by the sun's rays but the results were negative.

 

Similar experiments, I am told, were conducted for a long period on Pike's Peak but-no action on a photographic film, which was the means of these investigations, was noted, at least not such as might be attributed to Roentgen rays. I think though that rays of this kind must be ultimately demonstrated to exist in the radiations of the Sun as well as of most other sources of intense light and heat. It is possible that such rays are, in a measure, active in arresting the process of decay caused by the bacillus. I conclude that, since the bacillus of tuberculosis is an organism developed under exclusion of light, such rays of short wave length, made by any means to penetrate the tissues and reach the affected parts of the same, must needs be inimical to the development of the microbes not used to such rays.

 

Though this conclusion might not prove true, still there is a good foundation for it, and I am hopeful that with the apparatus I am now perfecting for other purposes as well as this, it will be possible to produce Roentgen rays of great intensity which will furnish the long sought for means of successfully combating these dreaded diseases of the internal organs. Whatever be the cause of the marvelous improvement noted in patients it is a fact that most people afflicted with these ailments, and often pronounced beyond medical help, recover and get soon seemingly quite well here.

 

A short while ago I was induced by a friend to go to a dinner he gave in my honor where I met a number of more or less interesting people. The conversation during the entire evening was an animated one and the entertainment highly enjoyable. Everybody seemed to be in high spirits and excellent health.

 

But my pleasure was spoiled in the end when I learned before parting, with painful astonishment, from a friend who is a very skilled and competent physician, that of the two dozen people I met scarcely one individual had more then one whole lung left, the majority of them being in fact "much farther gone" as he said, so that they would infallibly die in a very short time if they would leave here. I soon learned that there were thousands of consumptives in the place, about the only healthful people being coachman, and I concluded that while this climate is certainly in a wonderful degree healthful and invigorating, only two kinds of people should come here: Those who have the consumption and those who want to get it.

 

That the sun's light and heat exercise a highly beneficial effect on these sick people may be inferred with certainty from its effect upon people who are quite well. It is curious to note how agreeable and indispensable the sunshine becomes here after a while. Even healthful people become sad and unstrung when the sky gets clouded and dark.

 

I have however, observed such an effect before but it is quite natural that it should be so here where the sun shines constantly day after day. I do not suppose that in London or even in New York, where the weather is comparatively fair much attention is paid as to whether the sky is clear or clouded, but here every laborer laments when the sun does not shine. Despite the beautiful spectacle offered by the parting sun one feels sad when its disk sinks behind the mountains and one is thoroughly glad to see it rise again.

 

These feelings are experienced, of course, everywhere, but somehow they are of greater intensity here than elsewhere. Considering the elevation, the small density and exceptional purity and extreme dryness of the air, the scantiness of the vegetation and particularly the scarcity of protecting timber, the vastness of the practically desert prairies over which the wind can sweep unimpeded, the geographical position of the country and other causes and conditions determining the character of the climate it is not difficult to guess the general nature of the weather in Colorado.

 

Nevertheless it is a surprise to learn that the climate is mild in an extraordinary degree, the storms coming but seldom and lasting one or two days at the most, the snow remaining scarcely over more than thirty-six hours on the ground.

In fact Colorado people seem to be particularly proud of their winter climate. lex-pressed to a friend my delight at the wonderfully fine and bracing weather we had so far, but he astonished me by saying:

"This is not a fair opportunity to judge. To form a correct opinion of the qualities of this climate you must come here in wintertime".

I could scarcely conceive how it could be possibly finer and more agreeable then so far experienced. I expect to get data as to the pressure, temperature, moisture etc. The pressure at present is about 24" average, considerably less than at sea level but, owing to the bracing air, one does not feel much the effect of the rarefaction of the atmosphere except when performing some physical work, when one gets quickly out of breath.

 

The humidity must be extremely small otherwise one would feel both the heat and cold much more. The mean temperature presently at noon is about 80° in the shade but in sunshine it is different. I believe the good people here are more or less inclined to find the days in summer cooler than they are in reality, and they seem also to prefer to be silent about cold snaps which occasionally come in wintertime. But from some indiscreet persons I have learned that the thermometer was at times very near 40° below zero and in the plain sunshine of summer it is apt to be "way up" as my informants told me. I feel sure it can not be far from 150°.

 

The power of the sun's rays on certain days when the atmosphere is particularly calm, dry and pure, is such as to positively surpass belief. The waterpipe passing for some distance across the field to the laboratory being partly uncovered the heat was as a rule so fierce that the water came out boiling and steaming like in a Russian bath. It would be impossible to hold the hand in it, even for a few moments, for it would at once cause a severe pain. One day, about five o'clock in the afternoon, the rays fell through the open door on a high tension transformer which I had brought from New York and, before anybody could notice it, melted out all the insulation, rendering the apparatus completely useless.

 

I observed the danger a few days before and warned the assistants to watch the machine, but unfortunately on that day the usual precautions were omitted. Several barrels filled with concentrated salt solution were placed outside of the laboratory, and the pressure in them rose every day as in a steam boiler, and a few of them were damaged! When the cock was opened the water squirted out to a great distance across the field and it was thought advisable in order to avoid bursting and damage, to leave a small opening in the barrels for the escape of the steam.

 

The most astonishing experience of this kind was, however, the heating of a wooden ball covered with t .ifoil, which was supported above the roof, to a point it was deemed unsafe to expose it to the sun's rays. It emitted a dense vapor actually like smoke, and the tinfoil crumbled away! This excessive heating seemed to take place suddenly,.. I believe that it occurs when, owing to the removal of a layer of impuie air, a particularly clear path is opened for the sun's rays, which then pass through the pure medium without much loss.

 

Often I have felt a scorching pain on the cheek or neck to come on suddenly when working in sunshine, and I can only explain it with the above assumption. But the most interesting of all are the electrical observations which will be described presently.
 


Colorado Springs
Aug. 2, 1899

New induction coil for portable apparatus, designed for investigation outside contained in box. Condenser method. Particulars: Secondary wound with wire No. 30, 32 layers plus one layer with thick cord. Turns 180 per layer.

 

Total number of turns 5670. Least turn 1.25X7t=? longest turn 3.5 7r=? average 2.125XTC=6.675" or 17 cm. approx. for average length of one turn. Resistance of secondary 375 ohm. The dimensions of spool are as in sketch below.

The available length of coil 4" — 1/4 for two fiber flanges l =3.75". The primary 50 turns as a coil before wound cord No. 20, Res=0.51 ohm. The length of average turn 10.6"=26.93 cm. Total length of wire in primary 530"= 1346.2 cm.

In connection with this there is to be used: a condenser to be adjusted, a charging coil experimental like wire to be adjusted to the condenser and break a Thomas clockwork with wheel 180 teeth for break, the arbor carrying also a sensitive device so that same clockwork will serve for break and first sensitive device.

 

A second sensitive device in secondary of oscillating transformer driven by another Thomas clockwork. This latter need not be used when self-exciting process with condenser employed. Relay brought from New York 996 ohms or thereabouts. This final.

Maniton bottles to be used compared with Champagne bottles. The latter would seem to be better suited. The tests showed as follows: Comparing 2 bottles of each kind filled as far as practicable and placed in tank with rock salt solution as in previous instances charged to same potential 356 volts approximately, the average of four readings was for: Maniton bottles 13° defl. for Champagne bottles 9.5° defl.

These figures give a slight advantage to glass in Champagne bottle, but the latter was larger than the Maniton about 1/4" outside and contained a trifle over one quart. Furthermore, there is the usual hollow bottom (to deceive customers) and this increased the surface in the Champagne bottle. In view of this the conclusion is that the glass is not greatly different in respect to dielectric qualities in both the bottles. The Champagne bottle would unquestionably break down first because of hollow bottom, as it would be difficult to exclude the air. It would also be difficult to get the required number of such

Consider the following case: A condenser is connected in series with another to a generator of high tension. A circuit making and breaking device is arranged in a bridge between the condensers as illustrated in diagram. When the circuit is closed through this bottles in this quiet town. This compels use of Maniton.

Consider the following case: A condenser is connected in series with another to a generator of high tension. A circuit making and breaking device is arranged in a bridge between the condensers as illustrated in diagram. When the circuit is closed through this device the condenser included in the circuit of the generator is charged to the full potential, but when the device breaks the current path, the charge is distributed over the two condensers.

 

Such an arrangement with two condensers has certain valuable features in connection with oscillators, particularly when they are worked from a generator-of very high and constant e.m.f. The condenser included in the generator circuit prevents short circuiting of the generator in case of defective action of the make and break device and the amount of energy drawn from the source is limited to a quantity which can be exactly determined beforehand. The arrangement is sometimes of value also with alternate current generators.

 

The condenser C, then performs the function of a reducing valve on a reservoir such as is used in connection with a distribution system of some gas under great pressure. By means of such an arrangement an oscillator may be worked safely from a generator of any e.m.f. and at any desired pressure. In the case as illustrated the total capacity is


Suppose the process be such that C1 first be charged to full pressure P and then disconnected and charge distributed over the two condensers, C2 being the condenser belonging to the oscillator, whereas C1 is the regulating condenser, then since

is the pressure on condenser C, which it was the object to find.

 


Colorado Springs
Aug. 3, 1899

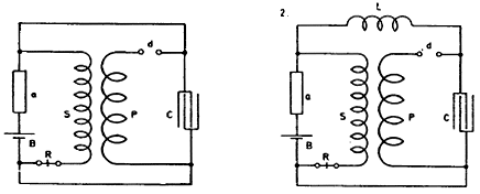
Modifications of apparatus, involving condenser method of magnifying effects, experimented with "Self-exciting" process.

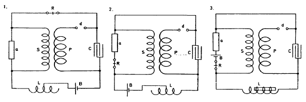
In this special modification of condenser method, an effect produced upon the sensitive device is rendered accumulative not only as in some other modifications, but more so by a process comparable to the self-excitation of a dynamo. Thus much feebler initial effects are made sufficient to cause the sensitive device to break down and the receiver to be operated. This process accomplished ii« this manner will certainly have many valuable uses. A few arrangements which have been experimented with are recorded below. They are self-explanatory.


The lettering makes Diagram 1. fully clear with reference to previous diagrams of this kind, a is the sensitive device, d a make and break device, Ca condenser P the primary and S the secondary of oscillatory transformer, B a battery and L an inductance suitably adjusted.

 

The sensitive relay usually employed may be in the circuit containing battery B, inductance L, and the devices d and a; or, it may be in the circuit of secondary S and device a in which case this circuit will contain an additional battery. There will also be in the circuits the usual adjustable resistances to adjust the instruments and insure the best action.

 

From the diagram it will be easily seen that when the device a is at first very slightly affected, the condenser is charged more and the secondary currents become more strongly excited in their turn, the device and so on, until the device breaks down and diminishes sufficiently in resistance so that the relay is operated.

This method has been found excellent and will have besides telegraphy many valuable uses since by its means effects, too feeble to be recorded in other ways, may be rendered sufficiently strong to cause the operation of any suitable device. A number of modified arrangements as have been experimented will now be recorded.

 

Referring to diagrams which follow in Fig. 2. an arrangement identical with that in Fig. 1. is shown, only the relay itself is made to be the transformer by being suitably proportioned to the break and condenser and having on top of primary windings P P a secondary S S wound with fine wire and containing a battery B' as shown.

 

The secondary excites the sensitive device a until it breaks down when the relay is operated. This arrangement is not the most preferable to employ as better results will be obtained with an independent transformer and relay, but it has the features of compactness and simplicity. It can be, however, still further simplified by doing away with inductance L.

The batteries B and B' may be connected to cooperate in their acts upon sensitive device a or to oppose each other. The former seems preferable. The condenser should be of large capacity. In Diagram 3. the form of connections is illustrated which was found most convenient for experimentation.

 

An independent sensitive relay is used and adjustable dead resistances r and r' in primary and secondary circuits. The inductance L is also made adjustable and so is also break device d though this is not indicated in the diagram.

In Fig. 4. again plan is shown which is suitable when, instead of a sensitive device as has been described before and which is based on the properties of minute conducting grains, a minute gap a is employed. This special device comprises two points almost in contact and in an atmosphere or medium the insulating properties of which are impaired to such an extent that it breaks down readily upon a slight increase of the electrical pressure.

 

The additional adjustable inductance Lx serves to bridge the gap and allow normally a small current to pass and to charge condenser C, to strain sufficiently device a. The relay R may be otherwise placed.

Finally, in Diagr. 5. a modification is shown with an additional induction coil P'S', B" and d', the latter device making and breaking the circuit and straining device a by currents generated in secondary 5". The diagram is otherwise self-explanatory. The relay may be, as stated before, otherwise inserted.
 


Colorado Springs
Aug. 5, 1899

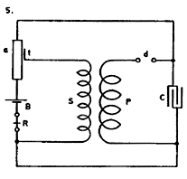
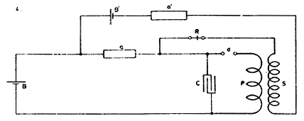
Experiments with condenser method of magnifying effects continued. More of the modifications described: In Diagram 1. a resistance, preferably inductive, is placed around sensitive device a for the purpose of regulating the charge of condenser C and thereby determining the degree of excitation of device a' in secondary circuit of transformer.

The adjustable resistance r serves to regulate strain exerted upon device a by battery B. The terminals or plates pp' are placed in suitable locations of medium or media, one in the air, the other in the ground generally. Otherwise the diagram explains itself.

In Diagram 2. the second sensitive device is omitted and the secondary S is connected around sensitive device a. Other accessories, as adjustable resistances, are likewise omitted for sake of clearness.

In Diagram 3. again the coil L is made the secondary of another coil which is supplied from primary oscillating transformer P S, the latter being controlled in its performance by sensitive device a.

In Diagram 4. a similar arrangement i$ illustrated as shown on a previous occasion, the secondary S being connected around sensitive device a and containing another sensitive device, relay and battery, other accessories being omitted for reasons above given.


Colorado Springs
Aug. 6, 1899

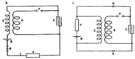
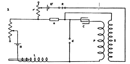
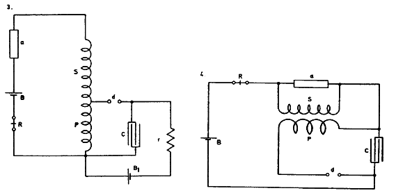
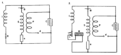
Experiments with Condenser method of magnifying effects. More of the arrangements experimented with described:

The three diagrams shown illustrate arrangements as variously carried out in a form of portable apparatus referred to before. Referring to Fig. 1. the sensitive device a was one consisting of a small glass tube and two metalic plugs, the tube being rotated by a Thomas Clockwork.

 

Coarse nickel chips prepared as before described were used in the tube. An improvement was effected by cleaning the chips first with dilute acid and alkaline solution and destilled water and alcohol at the last. In one apparatus the plugs were 1 /8" apart, tube 1/4" diam. half filled. Condenser 1/2 mfd. one of the small ones before used. L, S, P and d were as described on another occasion. The results were good.

 

In Diagram 2. the same devices were used in a slightly different way as will be plain from the diagram. The receiver R was put in series with device a so as not to be affected much by operation of break device d. This seemed better, results are very satisfactory. In Diagram 3. the improvement was carried still further the same devices being again used.

 

The delicately balanced lever of receiver R was very little affected by the sudden action of the break, the pull was steady in consequence and a better adjustment was possible. The results were now most satisfactory. One cell of Leclench6 dry being quite sufficient.

Evidence of stationary waves water pipe
 


Colorado Springs
Aug. 7, 1899

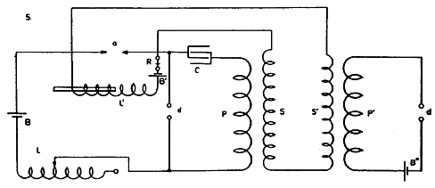
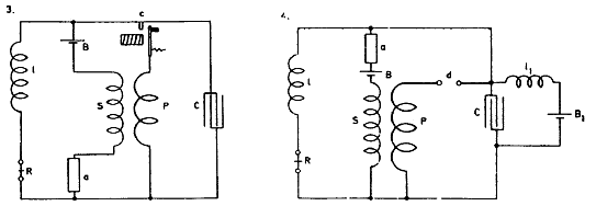
Some dispositions of apparatus experimented with in which the secondary of an oscillating transformer was used to excite the sensitive device have shown results vastly better and it seems that the increased sensitiveness is due partially at least, to the fact that one terminal of the secondary connected to a sensitive device (which unexcited has a resistance of about 100,000 ohms or more) is practically open and that therefore by the slightest disturbance a high pressure can freely manifest itself and break down the insulation of the device.

 

To investigate further the capacity of such arrangements a great number were tried of which some follow: One of the earlier arrangements was as illustrated in 1.

In this case the secondary S was closed by the condenser C too large for it, and the self-induction (very large) L was inserted to overcome this defect and for other reasons (2).


The next arrangement adopted was as shown in 3. In this case the terminal of secondary, or respectively its continuation up to / was open or insulated — at least practically so and the apparatus was more sensitive when the secondary had a great number of turns, it was better to place battery B and receiver R between the other end of secondary and the corresponding terminal of the condenser, but when the secondary did not have as many turns the apparatus generally worked better with battery and relay placed as shown in 3. as they caused a certain rise — by their capacity and self-induction — of the electrical pressure on terminal / of sensitive device.

A modification of Fig. 2. is shown in Fig. 4. In this case the self-induction L was replaced by relay R R which had one of its legs or coils inserted in each of the two branches of the circuit leading from the condenser as illustrated. As the relay had a very high winding and high resistance nearly 1000 ohms, this left the secondary practically opened and free to work on sensitive device a.

It was observed in some experiments that a sensitive device becomes more responsive to feeble disturbances when, instead of being excited by direct connection to a source, it is strained from a source from some distance. In some instances the apparatus was affected and the relay responded to a small bell from a great distance.

 

It is probable that the increased sensitiveness is due to a certain freedom or looseness of the grains of nickel which were used and which does not exist to such extent by direct connection to a battery. These observations led to investigating the capacities of some such arrangements typically illustrated in Diagram S in which the device is excited by induction.
 


Colorado Springs
Aug. 8, 1899

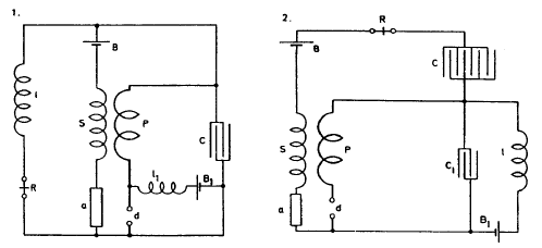
Other ways of connecting apparatus when using open acting secondary for exciting sensitive device.

As in some previous experiments the fine relay R was affected by the break d, the relay with an adjusted high ohmic or inductive resistance / was placed in a special branch circuit (1.)

 

It being found, furthermore, that when the sensitive device is very delicately adjusted, it often would not loose the excitation quickly enough by rotation (when a rotating cylinder as often experimented with before was used), but it would always loose the excitation by breaking the battery circuit — the disposition illustrated in 2. was adopted in which the relay R was made to break the battery circuit by opening contact c which was fixed similarly to that of an ordinary bell or buzzer with a fine spring so that the relay could complete the contact underneath (not shown) working the printing apparatus or other appliance.

The under contact was, however, dispensed with by connecting around contact c a circuit of very high resistance including another fine relay which was brought into action whenever the lever of relay R was pulled toward the core.

Instead of using the clockwork with break before referred to, an ordinary magnetic circuit breaker with contact was employed to operate the primary P and to generate thereby the currents in secondary S for excitation of device a. This simple arrangement is shown in Diagram 3. To provide for excitation of condenser and consequently of sensitive device up to the point desired various plans were investigated of which some follow here:

In Fig. 4. for instance, the resistance of device a unexcited being practically infinite an other battery Bx with self-induction coil /, v/as placed around the condenser to excite the same and by the action of secondary S also sensitive device a.

Again in Fig. 5. around the ends of the primary P was connected a Battery B1 in series with buzzer b and adjusted self-induction l1 The latter was so graduated that the induced currents in S would strain the device a to the point of breaking down* Still another such plan was tried by placing a separate circuit comprising coil P, Battery B1 and buzzer b at a suitable distance of secondary S, such that the preparatory excitation of device a was effected.
 


Colorado Springs
Aug. 9, 1899

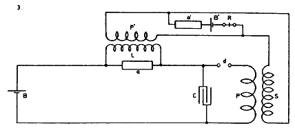
Other dispositions of apparatus experimented with. One of the plans before described was modified in the manner illustrated in 1., the battery Bx which effected the preparatory excitation being placed as indicated so as to work through the primary P and conjointly with main battery B.

Fig. 2. illustrates a disposition similar to one experimented with before, only in series with buzzer b and auxiliary exciting battery B1 a primary which was adjustable (P1) was used. This arrangement was modified to the one illustrated in Diagram 3. The intention being to use the same break for both primaries P and P1.

 

Neither of the plans (2 and 3) seemed capable of such results as were readily obtained in some previous dispositions. These experiments showed that the proper way was to modify plan 3 into one illustrated in 4.

In this case a break device with two contacts is provided which make and break simultaneously both the main primary P and auxiliary primary coil P1 In auxiliary circuit P1, for purpose of adjustment, a resistance r or l dead or inductive is included.
 


Colorado Springs
Aug. 10, 1899

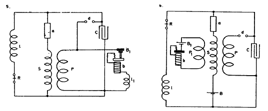
Further modifications of apparatus experimented with.

An arrangement as illustrated in 1. was made to see whether excitation (preparatory) could be conveniently effected by shunting around break d a circuit including very high graduated self-induction l1 with battery B1. This worked fairly well.

To avoid certain disadvantages in previous similar forms of apparatus — as the permanent closure of condenser — a number of modifications based on the use of two condenser was resorted to and experimented with, some of which are illustrated in diagrams following.

In Diagram 2. two condensers C and C1 are placed in series, one of them being shunted by graduated self-induction l and battery B1. The other condenser C, being larger, allows the current from battery B to pass through break and coil l when device a is excited. Not very good. A modified plan is illustrated in 3. In this case the auxiliary battery B charges the two condensers C and C1 in series, whereupon one of them is discharged through the break d. This is fair.

In 4. the battery (main) is so placed that a high e.m.f. is charging the condenser yet current through the sensitive device is small.
 


Colorado Springs
Aug. 11, 1899

Measurement of capacity of the new condensers prepared from Maniton Water bottles.

With the exception of three tanks in which bottles with green glass were used all the remaining bottles were of dark glass. The test did not show much difference between the two kinds of glass and all the tanks separately measured were found to be, after proper filling in of the solution, of the same capacity or very nearly so. All the bottles were first connected in quantity and the capacity compared with that of 1 /2 mfd. standard condenser.

 

The deflections were almost exactly as 36 : 44, 36° for the 1 /2 mfd. and 44° for the bottles.

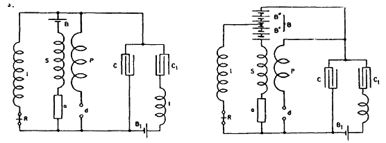
Other modifications of signalling apparatus experimented with.

 

Several ways of providing for initial excitation when using oscillatory transformer principle are illustrated in diagrams which follow:

In the first diagram the excitation is provided through auxiliary battery Bt the strength of which is regulated by adjustable resistance (inductive or ohmic) r. The two batteries B, fl, are so connected that they join in straining device a.

In Diagram 2. an inductive resistance very high is connected around device a and coils /, l2 are also employed to prevent the secondary S being closed and potential diminished through comparatively large condenser C. The inductance / and also l1 l2 are adjusted.

Again in Sketch 3. is shown a plan convenient to use when the secondary is wound in one single layer on a drum. A part of the secondary is made to serve as a primary through which condenser C, loaded to the desired point by battery B1 (graduated by resistance r) is made to discharge. In this manner it is easy to adjust the action of the secondary on device a.

In Diagram 4. is illustrated a simple way experimented with before which secures good results. This to follow up.

Continue